公司介绍
董事长致辞
领导团队
企业荣誉
领导关怀
宏达风貌
好博官方版网站登录入口
公司公告
公司新闻
媒体看宏达
行业新闻
政策法规
党建工会
党委
工委
宏达文化
文化理念
宏达之歌
营销中心
棒材
钢坯
线材
盘螺
产品认证
客户留言
客户留言
好博(中国)
好博(中国)
招聘信息
电商平台
首页
公司介绍
公司概况
董事长致辞
领导团队
企业荣誉
领导关怀
宏达风貌
好博官方版网站登录入口
公司公告
公司新闻
媒体看宏达
行业新闻
政策法规
党建工会
党委
工会
宏达文化
文化理念
宏达之歌
营销中心
棒材
钢坯
线材
盘螺
产品认证
客户留言
好博(中国)
好博(中国)
招聘信息
电商平台
公司介绍
公司概况
董事长致辞
领导团队
企业荣誉
领导关怀
宏达风貌
好博官方版网站登录入口
公司公告
公司新闻
媒体看宏达
行业新闻
政策法规
党建工会
党委
工委
宏达文化
文化理念
宏达之歌
营销中心
棒材
钢坯
线材
盘螺
产品认证
客户留言
客户留言
好博(中国)
好博(中国)
招聘信息
电商平台
好博官方版网站登录入口
首页
好博官方版网站登录入口
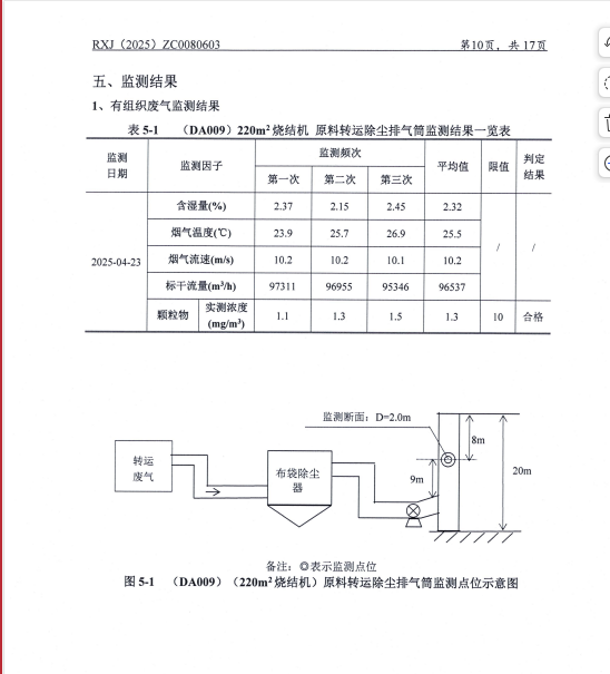
污染物年测监测结果
污染物年测监测结果
时间:
2025-10-22
第3季度废水监测报告
第3季度污染物监测结果
400-635-6661(售后投诉)
sxhdjt@163.com
MILAN米兰体育·(中国)官方网站
|
开云网页版界面·开云(中国)
|
拼搏官网
|
开云足球体育(中国)有限公司
|
半岛网页版
|
开云网页版
|
球友会手机版
|
万搏在线
|
开云游戏
|